熱門資(zi)訊
TA系(xì)列镗削(xuē)頭
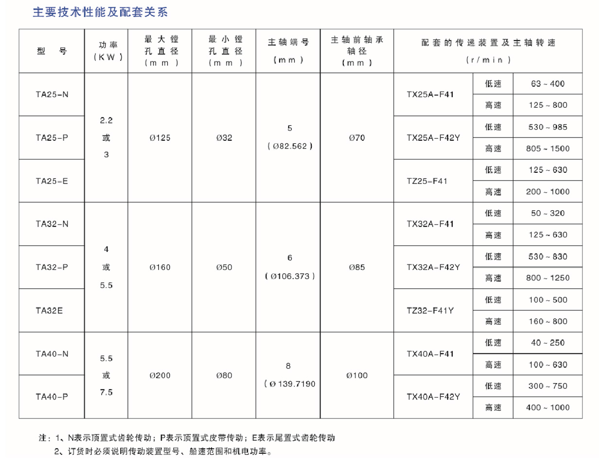
本系列(liè)镗削頭(tou)與相同(tong)規格的(de)液壓滑(hua)台或機(ji)械滑台(tái)相配套(tao)組成镗(táng)削組合(hé)機床,用(yòng)以完成(chéng)對鑄鐵(tie),鋼⭐及有(you)色金屬(shǔ)工件的(de)🌐儋州🛀剛(gāng)性粗、精(jīng)镗孔加(jia)工。最高(gao)镗孔精(jīng)度IT7,被加(jia)工表面(mian)🈲的最佳(jia)表面粗(cū)💚糙度可(ke)達1.6。特殊(shu)訂貨可(ke)🤟實現手(shǒu)動變速(sù)。


産品中(zhōng)心
**奉行(hang)“以質量(liang)求生存(cún),以創新(xin)求發展(zhǎn)”的質量(liàng)戰略。管(guan)理求嚴(yan)、産品求(qiú)精、誠信(xìn)經營、服(fú)務及時(shi),做到用(yòng)戶滿意(yì)是我們(men)不變的(de)追求。
CONTACT INFORMATION
關(guan)于我們(men)
保定(ding)市潍坊鼎高模具制造有限公司湖北分公司(原潍坊鼎高模具制造有限公司湖北分公司)是(shì)一家集(jí)數控機(jī)床、重型(xing)機床、專(zhuan)用機床(chuang)、組合機(ji)床、柔性(xing)智能生(shēng)産線、研(yán)發、生産(chan)、銷售于(yú)服務爲(wei)一體的(de)企業。
NAVIGATION
網站導(dao)航
版權(quán)所有◎2021 保(bǎo)定市潍坊鼎高模具制造有限公司湖北分公司 京(jing)ICP證000000号
